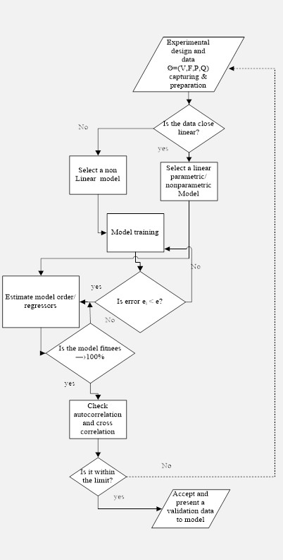
Graphical Abstract

Vol. 3 No. 2 (2022): March 2022

Metrics

Submitted
Jul 25, 2022
Accepted
Sep 7, 2022
Published
Sep 14, 2022
Statistic
Read Counter : 423 Download : 375

Downloads

Download data is not yet available.

 PlumX Metrics